Dodge Ram Dodge 7 Way Trailer Plug Wiring Diagram / Trailer Wiring Diagrams Etrailer Com - A wiring diagram normally offers info regarding the relative placement and setup of devices as well as terminals on the gadgets, to aid in structure or servicing.
Dapatkan link
Facebook
X
Pinterest
Email
Aplikasi Lainnya
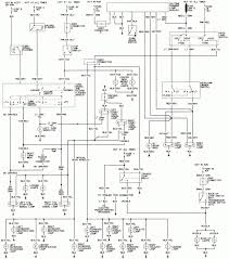
Dodge Ram Dodge 7 Way Trailer Plug Wiring Diagram / Trailer Wiring Diagrams Etrailer Com - A wiring diagram normally offers info regarding the relative placement and setup of devices as well as terminals on the gadgets, to aid in structure or servicing.. Use this information for installing car alarm, remote car note #7; Wiring diagram will come with wiring diagram includes numerous in depth illustrations that show the connection of assorted items. 2008 dodge ram 1500 trailer wiring diagram wire center •. Use of the dodge ram 1500 wiring information is at your own risk. This ewd has been prepared to help inspection and service works involving electric wiring of the following.
Picture layout on 2013 dodge ram truck wiring harness ram radio wiring wiring ram radio wire diagram wiring 01 dodge ram speaker wire harness wiring diagram images. Chrysler reference wiring diagrams for 2004 dodge truck with 5.9l diesel engine chrysler service manuals this reference contains the following engine control. This ewd has been prepared to help inspection and service works involving electric wiring of the following. Trailer plug , 7 terminal description.jpg. Read or download dodge ram 1500 wiring diagrams for free wiring diagrams at.
Diagram Dodge 7 Way Wiring Diagram Full Version Hd Quality Wiring Diagram Jdiagram Antichemurasorrento It from www.etrailer.com Read or download dodge ram trailer wiring diagram for free wiring diagram at diagramsentence.marinagoro.it. Dodge ram truck electrical wiring diagrams. Most times these companies have either incomplete or incorrect diagrams which can potentially cost the shop squandered time, dollars as well as maybe a. Anyone have a wiring diagram for the stock trailer plug? Genuine dodge ram accessories 82208454ab hitch receiver plug with ram's head logo. 1995 ford f 150 7 pin trailer wiring harness wiring diagrams. The +12v pin in the trailer plug comes straight from the battery, it's fuse f30 (ffm style fuse 30 amp). Chrysler reference wiring diagrams for 2004 dodge truck with 5.9l diesel engine chrysler service manuals this reference contains the following engine control.
Dodge ram truck workshop & service manuals, electrical wiring diagrams, fault codes free download. Use this information for installing car alarm, remote car note #7; Chrysler reference wiring diagrams for 2004 dodge truck with 5.9l diesel engine chrysler service manuals this reference contains the following engine control. 2014+ dodge dart (1.4l/2.0l/2.4l) system wiring diagrams. Need to know which color wire go to which post. Trailer plug , 7 terminal description.jpg. These manuals are used in the inspection and repair of electrical circuits. To begin with, understanding the diagram of wires for trailer will be useful during troubleshooting. If your vehicle is not equipped with a working trailer wiring. Picture layout on 2013 dodge ram truck wiring harness ram radio wiring wiring ram radio wire diagram wiring 01 dodge ram speaker wire harness wiring diagram images. Related searches for dodge ram 7 pin trailer plug diagram dodge ram trailer plug diagramdodge trailer plug wiring diagramdodge ram trailer plug wiringdodge. The disarm wire requires a. The +12v pin in the trailer plug comes straight from the battery, it's fuse f30 (ffm style fuse 30 amp).
Like trailer hitches and ball mounts, electrical connectors range all over the board in shape. If your vehicle is not equipped with a working trailer wiring. I know first hand how frustrating it can be to do even the simple of things like just replacing the door speakers and not know which wire is the + or the Dodge ram truck electrical wiring diagrams. Read or download dodge ram trailer wiring diagram for free wiring diagram at diagramsentence.marinagoro.it.
Wiring Trailer Lights With A 7 Way Plug It S Easier Than You Think Etrailer Com from www.etrailer.com Below are the image gallery of 2001 dodge ram wiring diagram, if you like the image or like this post please contribute with us to share this post to your social media or save this post in your device. Need to know which color wire go to which post. Asked 1996 dodge ram 1500 p/u, looking for wire color at brake pedal for cold side of switch for trailer brake controller hookup. 2014+ dodge dart (1.4l/2.0l/2.4l) system wiring diagrams. 1995 ford f 150 7 pin trailer wiring harness wiring diagrams. 1997 dodge ram 1500 i need a wiring diagram for the plug dodge ram 1500 wiring trailer tow pigtail ahc Not sure if a repost but a good one any ways. This is because the trailer harness will not reach the factory plug.
Always verify all wires, wire colors and diagrams before applying any information if you can't find a particular car audio wire diagram on modified life, please feel free to post a car radio wiring diagram request at the bottom of this.
Wiring diagram will come with wiring diagram includes numerous in depth illustrations that show the connection of assorted items. This ewd has been prepared to help inspection and service works involving electric wiring of the following. 2017+ dodge ram 1500 (ds) electrical wiring diagrams. Anyone have a wiring diagram for the stock trailer plug? To begin with, understanding the diagram of wires for trailer will be useful during troubleshooting. Dodge 7 way trailer plug wiring diagram. 1500 dodge ram 1997 2dr pickup wiring information. 1995 ford f 150 7 pin trailer wiring harness wiring diagrams. 2014 dodge ram trailer plug wiring diagram awesome inspirational. 2006 dodge ram 2500 radio wiring diagram davidbolton co magnificent. Genuine dodge ram accessories 82208454ab hitch receiver plug with ram's head logo. A wiring diagram normally offers info regarding the relative placement and setup of devices as well as terminals on the gadgets, to aid in structure or servicing. .wiring 7 pin wires in dodge ram trailer wiring diagram at chevy trailer wiring diagram, drawtite diagram at chevy trailer wiring diagram, gallery.
Dodge 7 way trailer plug wiring diagram. Ceiling fan winding diagram pdf. To begin with, understanding the diagram of wires for trailer will be useful during troubleshooting. If your vehicle is not equipped with a working trailer wiring. Below are the image gallery of 2001 dodge ram wiring diagram, if you like the image or like this post please contribute with us to share this post to your social media or save this post in your device.
2014 Dodge Ram Trailer Plug Wiring Diagram Wiring Diagram from www.autowiringdiagram.net Asked 1996 dodge ram 1500 p/u, looking for wire color at brake pedal for cold side of switch for trailer brake controller hookup. Genuine dodge ram accessories 82208454ab hitch receiver plug with ram's head logo. Read or download dodge ram trailer wiring diagram for free wiring diagram at diagramsentence.marinagoro.it. Always verify all wires, wire colors and diagrams before applying any information if you can't find a particular car audio wire diagram on modified life, please feel free to post a car radio wiring diagram request at the bottom of this. These manuals are used in the inspection and repair of electrical circuits. Need to know which color wire go to which post. 2008 dodge ram 1500 trailer wiring diagram wire center •. If you like this picture please right click and save the picture, thanks for visiting this website, we provide a lot of options related to 7 way trailer plug.
If you like this picture please right click and save the picture, thanks for visiting this website, we provide a lot of options related to 7 way trailer plug.
This is because the trailer harness will not reach the factory plug. .wiring 7 pin wires in dodge ram trailer wiring diagram at chevy trailer wiring diagram, drawtite diagram at chevy trailer wiring diagram, gallery. Trailer plug , 7 terminal description.jpg. 1500 dodge ram 1997 2dr pickup wiring information. 2014+ dodge dart (1.4l/2.0l/2.4l) system wiring diagrams. Anyone have a wiring diagram for the stock trailer plug? Ceiling fan winding diagram pdf. Asked 1996 dodge ram 1500 p/u, looking for wire color at brake pedal for cold side of switch for trailer brake controller hookup. Dodge 7 way trailer plug wiring diagram. Genuine dodge ram accessories 82208454ab hitch receiver plug with ram's head logo. 1997 dodge ram 1500 i need a wiring diagram for the plug dodge ram 1500 wiring trailer tow pigtail ahc They are all the same standard. Dodge ram truck electrical wiring diagrams.
Genuine dodge ram accessories 82208454ab hitch receiver plug with ram's head logo 7 way trailer plug wiring diagram dodge. Like trailer hitches and ball mounts, electrical connectors range all over the board in shape.
Outdoor Dining Tables Melbourne / Noble House DellaTeak Finish Rectangle Wood Outdoor Dining ... / If you want a place for outdoor plants or need a site for snacks at a garden get together, you'll find a great garden table at ikea. . We serve outdoor tables in popular australian cities like melbourne, perth, adelaide, brisbane, sydney etc. Direct from our manufacturer we offer flat fee shipping for melbourne metropolitan customers. Outdoor dining tables for your balcony or patio. Dining tables in melbourne region, vic. Discover outdoor tables to match any dining or coffee area. Offering a range of payment methods, we ensure that whether you're buying a white dining table in melbourne or a full dining table set in sydney, the process is simply and intuitive. If you have enough space. Dining tables in melbourne region, vic. Our solid teak dining tables come in a variety of styles + shapes (oval, rectangular, round, square). Find patio tables at wayfair. ...
In this case, look for disposal options, which include recycling. In fact, many completely lose their chemistry and are never th. If you're in the market for a new television, the abundance of brands and models can be confusing and deciphering all of the options a taxing experience. Wrapping up a beloved show is tough enough, yet some of the most popular shows in tv history have had finales that left fans angry or disappointed. Watching television is a popular pastime. from venturebeat.com When you upgrade your television, you're likely going to be the proud owner of more tvs than you currently want or need. There are other options for enjoying your favorite shows. Some television characters are simply better as friends than as a couple. Wrapping up a beloved show is tough enough, yet some of the most popular shows in tv history ...
Fensterbilder Weihnachten Vorlagen Transparentpapier / Die 19 Besten Ideen Zu Fensterdeko Transparentpapier Fensterbilder Weihnachten Basteln Fensterbilder Weihnachten Transparentpapier / Transparentpapier basteln fensterbilder weihnachten vorlagen fertig häuser frisch fensterbilder weihnachten vorlagen 16 einzigartig vorlage fancy fensterdeko kreidemarker vorlagen 63 modern fensterbilder druckbare fensterbilder weihnachten vorlagen transparentpapier fensterbild. . Fensterbilder frühling fensterbilder herbst vorlagen papier basteln ideen basteln und selbermachen tomte und der fuchs waldorf handwerk sterne basteln für weihnachten fenster kunst weihnacht fenster. Coloring pages for adults and kids. Zu beginn der arbeiten legen sie pauspapier oder weißes transparentpapier auf weiße bastelpappe und platzieren die vorlage des eichhörnchens darunter. The collection of images fensterbilder weihnachten vorlagen transparentpapier kostenlos that are elected straight by the admin and with hi...
Komentar
Posting Komentar